应用与设计

LT8709 在 200kHz、–4.5V 至 –42V 输入至 5V/4A 输出反负输出转换器

详情介绍

概览

产品详情

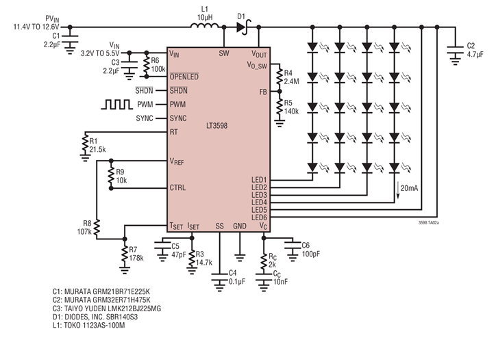
2 MHz LED Driver for 20 White LEDs

LT3598 是一款固定频率、升压型 DC/DC 转换器,专为以一个高达 44V 的输出电压来驱动多达 6 串 LED 而设计。LED 调光功能可利用 CTRL 引脚上的模拟调光电路以及 PWM 引脚上的脉宽调制调光电路来实现。LT3598 能够准确地调节 LED 电流,即使在输入电压高于 LED 输出电压的情况下也不例外。开关频率可以利用一个外部电阻器来设置,可调范围为 200kHz 至 2.5MHz。